0512-0512-53980061
18106986388
:
全部
产品名称
关键词
产品型号
产品摘要
产品描述
全文搜索
简体中文
English
العربية
Français
Pусский
Español
Deutsch
Italiano
日本語
한국어
ไทย
हिन्दी
首页
关于我们
关于我们
我们的历史
公司团队
产品
电动滚筒
电机驱动
直线电机
非接触式无线供电系统
F/FC系列- ECI电机
T系列- ECI电机
T系列- EC电机
应用
交叉带分拣机
摆轮分拣机
动态称
皮带机
滚筒输送线
供包台
畜牧通风
暖通、空调
工业通风
冷却塔降温
核心技术
服务
下载
新闻
联系我们
在线商城
滚筒
驱动器
直线电机
低压伺服电源线束
延长线电源线控制线
FC160ECI高效永磁同步一体机
首页
»
产品
»
EC电机
»
F 系列-ECI电机
»
FC160ECI高效永磁同步一体机
loading
分享到:
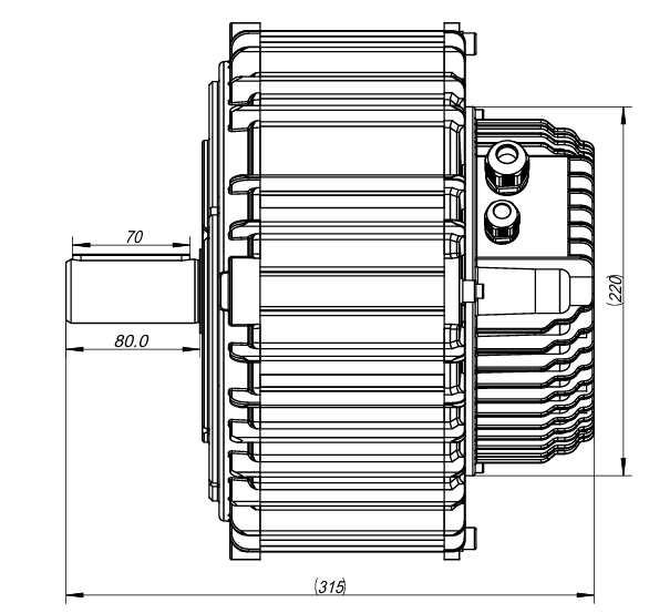
FC160ECI高效永磁同步一体机
5
0 评价
状态:
数量:
产品详情
安装便捷、节能高效
功率段:
(FC160:2.2kw-3kw)
环境温度:
-25℃至40℃
防护等级:
IP55-IP67
通讯方式:
RS485 Modbus、0-10V、PWM
安装方式:
滑轨/B14/B3/B34/B5/B35
保护功能:
过流/堵转/缺相/IPM过温/逆风启动..
认证相关:
CE/ETL
质保时间:
12个月
节能等级:
IE5 (根据IEC 60034-30-1判定)
上一条:
下一条:
电机
节能
高效
咨询
提交
有任何问题,请电话或邮件联系我们。
产品分类
直线电机LM系列
驱动器MD系列
电动滚筒GT 系列
电动滚筒SR系列
0512-53980061
15026701859
lw@dlmd.cn
快速链接
首页
产品
关于我们
研发中心
新闻
联系我们
联系我们
0512-53868802 ;0512-53980061
终端客户:曾经理18106986388
东北大区:崔经理13810455328
华南区:曾经理18106986388 王经理18522623269(广东)
华东A:崔经理18015427441(江苏) 孙经理15050490776
华东B:周经理17318894988(安徽&上海)
华东C:何经理18912791007(浙江)
moandi2020@dlmd.cn
江苏省苏州市太仓市威海路51号
版权所有©
2024
江苏莫安迪科技有限公司
领动
支持|
网站地图
苏ICP备2022030115号-1